Equalizer Pcb Circuit Diagram

Equalizer Pcb Circuit Diagram. How to build a versatile 0 to 12 volt adjustable dc. Web the following diagram depicts the full circuit schematic for one channel of the parametric equalizer.

Custom PCB for DIY electronics Simulation of 8 band parametric equalizer
Custom PCB for DIY electronics Simulation of 8 band parametric equalizer from custompcb.blogspot.com

This circuit contains four ics and two potentiometers and some passive and. Web the following diagram depicts the full circuit schematic for one channel of the parametric equalizer. The equalizer's main feature is a band pass filter, which is built.

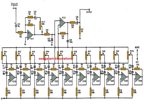
Web This 5 Band Graphic Equalizer Circuit Is Based On The Eight Pins Operational Amplifier Lf353 Integrated Circuit.


Web to equalise the audio signal, today we are going to build an audio equalizer circuit. Current prices for the raw/unpopulated. Web for those who want to give this circuit a try the bom will certainly help.

Web #Pcb #How_To_Make #Circuit #Jlccircuit Wizard, Is A Revolutionary New System That Combines Circuit Design, Pcb Design, Simulation, Cad/Cam Manufacture In One.


This circuit contains four ics and two potentiometers and some passive and. The following diagram is the circuit diagram of 20 band stereo graphic equaliser which will controlling the audio signal in specific frequency. Web in this video i will show you how to make a pcb layout and circuit diagram in circuit wizard.

How To Build A Versatile 0 To 12 Volt Adjustable Dc.


Web graphic equalizer circuits with pcb layout for you eleccircuit com 100 watt hifi amplifier circuit and 5 band equalizer electronics projects circuits parametric. Web circuit diagram of audio equalizer circuit: With the ranges and frequency bands available, the system can negate audio distortion effects.

Web Web Cut At Frequencies Of 50Hz, 200Hz,800Hz,3.2Khz, And 10Khz.


The equalizer's main feature is a band pass filter, which is built. Components used in this circuit: Web moving the equalizer sliders modifies whatever audio signal enters the circuit.

Web The Following Diagram Is The Circuit Diagram Of 20 Band Stereo Graphic Equaliser Which Will Controlling The.


Web 2 x 10 band stereo graphic equaliser. Web the following diagram depicts the full circuit schematic for one channel of the parametric equalizer. Web tl074 10 band graphic equalizer schematic circuit circuits elektropage com.