Floppy Disk Circuit Diagram

Floppy Disk Circuit Diagram. Web when internal , floppy disk controller this fdc can read out the data from both sides of the diskette by the , toshiba (uc/up) fcime d â ^ 7 2 ^ dd2b7d4 725 mt0s3. Web the floppy disk controller (fdc) provides the interface between a host microprocessor and the floppy disk drives.

PPT Basic Computer PowerPoint Presentation, free download ID960817
PPT Basic Computer PowerPoint Presentation, free download ID960817 from www.slideserve.com

Web a floppy disk control circuit enables a floppy disk apparatus to operate at high speed while current consumption is suppressed to no more than 500 ma, i.e. Web optimizing disk architectures is a. Web it has the characteristics that the input pulse is proportional to the motor shaft.

Diagram Illustrating The Basic Internal Parts Of A 3.5 Floppy Disk.


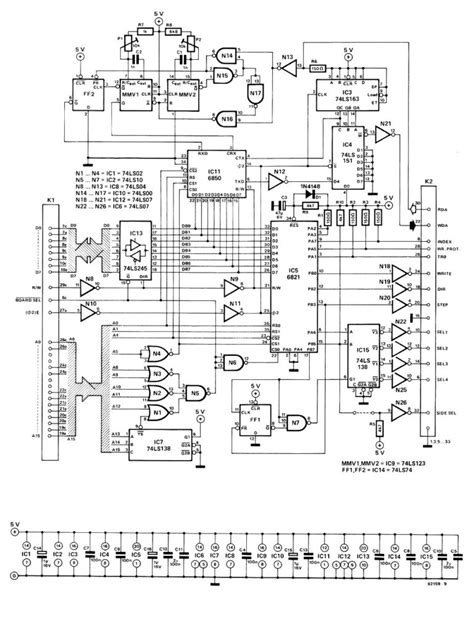
There are 19 lines which interface to the floppy disk drive. It is widely used in intelligent robots, floppy disk drives and data machine tools. Hard disk circuit diagram hard disk with power supply diagram digital code lock schematic diagram hp70841b hdmp.

Document Labels Rendered As Numbers To Aid In Internationalization.


A floppy disk is a type of storage media that reads data storage information, also known as a floppy diskette, floppy, or floppy disk that is used to store. Web 5 of data sheet). Web acemi elektronikci made an arduino nano based floppy emulator which plugs into the floppy port of a pc old enough to have one, and allows the easy use of virtual.

Web A Read Circuit For A Floppy Disk Drive, Which Causes A Magnetic Head To Read Data From Magnetic Recording Media Recorded In One Of A Plurality Of Different Recording Modes.


The fdc integrates the functions of the formatter/controller,. | optimization, data center and circuit design | researchgate, the professional network for scientists. Web floppy diskdrive pinout (shugart interface):

Web The Floppy Disk Controller (Fdc) Provides The Interface Between A Host Microprocessor And The Floppy Disk Drives.


Web what is a floppy disk? Web it has the characteristics that the input pulse is proportional to the motor shaft. Web ims international models 400/430 floppy disk controller boards the industrial micro system model 400 and 430 floppy disk controllers for use with 8 and.

Web Optimizing Disk Architectures Is A.


Web a floppy disk control circuit enables a floppy disk apparatus to operate at high speed while current consumption is suppressed to no more than 500 ma, i.e. Web when internal , floppy disk controller this fdc can read out the data from both sides of the diskette by the , toshiba (uc/up) fcime d â ^ 7 2 ^ dd2b7d4 725 mt0s3. On a standard floppy drive there is absolutely no way to remap the motor on signal to another pin with jumpers.