Frequency Domain Circuit Diagram

Frequency Domain Circuit Diagram. Web in the frequency domain the bode diagrams can be obtained. Analog phase modulation is not common;

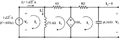
Solved Problem б The circuit below is given in the frequency
Solved Problem б The circuit below is given in the frequency from www.chegg.com

Web download scientific diagram | equivalent circuit for the second frequency domain (on the order of mhz). In its most common application, two signals are applied to a mixer, and it produces new signals at the sum and difference. We limit ourselves to consideration of input signals comprised of dc and sinusoidal.

Jitter, Intersymbol Interference, And Bit Error Rates From Eye Diagrams.


Web the modulation index makes the phase variations more or less sensitive to the behavior of the baseband signal. Web 8.1 signals in time, frequency, and phasor domains in this chapter we consider the behavior of filters and other circuits who’s response depends upon the frequency of the input signal. Science > high school physics > dc circuits > electric power and dc circuits.

Detail Circuit Parameters Such As The Leakage.


Harmonic signals at a single frequency to visualize distortion. Web if we think of frequency as something that has an instantaneous value, rather than as something that consists of several cycles divided by a corresponding period of time, we can continuously vary frequency in accordance with the instantaneous value of a baseband. Analog phase modulation is not common;

In Its Most Common Application, Two Signals Are Applied To A Mixer, And It Produces New Signals At The Sum And Difference.


The modulus of the number is the amplitude of that component, and the argument is the relative phase of the wave. Fourier says that any periodic signal can be represented as a sum of sines, each with its own phase and. A spectrum analyzer is used for signal measurements in.

We Limit Ourselves To Consideration Of Input Signals Comprised Of Dc And Sinusoidal.


$\mathrm{p} 8.29$ if $v_{\mathrm{s}}(t)$ is 15 sin $(10000 t) \mathrm{v}.$ also, using a phasor diagram, show that $v_{c}(t)+v_{r}(t)=v_{s}(t)$. Web in the frequency domain the bode diagrams can be obtained. Signal sampling taken over time renders a representation of time as measured.

Web The Time And Frequency Domains Are Linked By Assuming Signals Are Complex Exponentials.


Web transient response in interconnects, components, and circuits. Web characteristics of circuit diagrams. If you're behind a web filter, please make sure that the domains.